GoalRef - protoype system to detect a goal



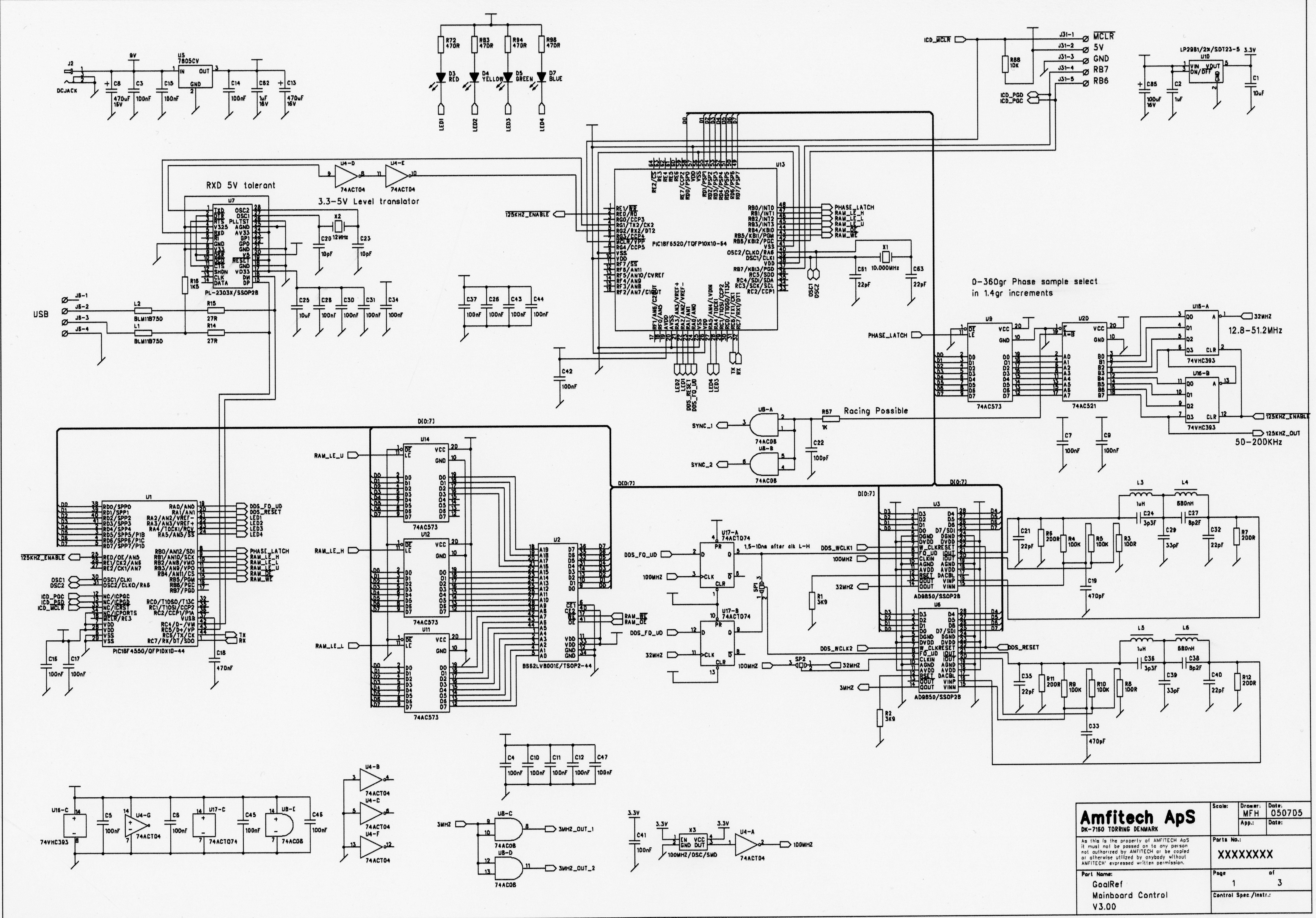
A collaboration with Amfitech ApS Denmark in 2005 to develop a system to accurately detect when a football has crossed the goal line. A football is fitted with 3 light-weight orthogonal coils loaded by a small capacitor, which resonate in response to excitation by a high frequency coil wound around the goal mouth. The resonating signal is detected by up to 16 receivers positioned at intervals around the goal mouth, each using an antenna coil positioned at either side, top or bottom of the goal. The prototype shown here uses 6 receivers on a small goal: one at either side, and two at the top and bottom. To reduce noise, the receivers are battery operated, and connected by optical fibres in a daisy chain: the main controller board sends packets of data to the first receiver where it is processed & passed on to the next receiver; the last receiver sends packets back to the controller. The main controller board generates clock & sync signals for the receivers & a high voltage signal for the goal excitation coil, collates receiver signals, and implementes a USB interface to a host PC, where the position of the football is analysed & an SMS sent to notify the referee of a goal.


Software developed in C for the receivers (using a PIC18F2410), for the main controller (using PICs 18F8520 & 18F4550), and for the PC in Visual Basic. Both antenna and main boards operate in one of two modes: command or monitor. In command mode the PC can configure the main controller, which can configure the antenna boards. In monitor mode, packets are sent from the main controller through the receiver daisy chain, and results made availabe to the PC via USB. Prototype VB software declares a goal if one or more antenna coils see the ball behind the goal line, and no coils see the ball in front of the goal mouth. Any coil can declare a no-goal if it sees the largest signal outside the goal mouth.

Plot shows typical antenna signals as the football passes though the goal (zero-crossing at the goal mouth). Video shows a LEGO platform spinning the ball and moving it through the goal mouth - spinning football generates a noisier signal.
